Please enable JavaScript to view this site.

MESYS Berechnungssoftware

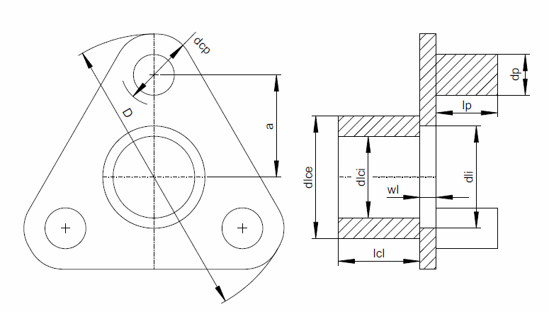
Die Geometrie des polygonalen parametrischen Trägers ist in der folgenden Abbildung dargestellt:

carrier-polygon