Please enable JavaScript to view this site.

MESYS Berechnungssoftware

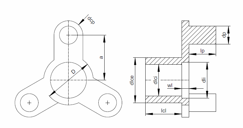
Die Geometrie des parametrischen Sternenträgers ist in der folgenden Abbildung dargestellt:

carrier-star